
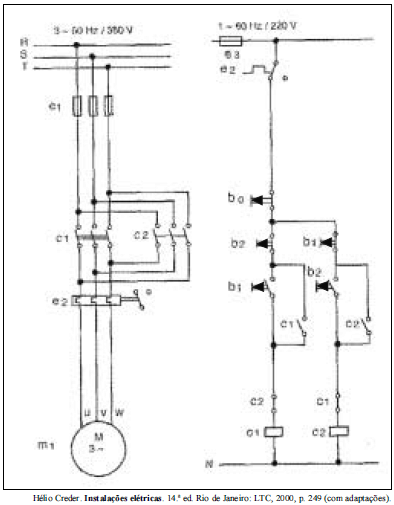
A figura acima mostra os diagramas de força e de controle do acionamento de um motor de indução trifásico de rotor em gaiola. Julgue o item abaixo, relativos ao acionamento e aos diagramas.
No diagrama de força, o local mais indicado para a conexão de um relé detector de falta de fase é entre as fases R, S e T da alimentação e o elemento e1.
Provas
Questão presente nas seguintes provas
Engenheiro de Equipamentos - Elétrica (Júnior)
175 Questões