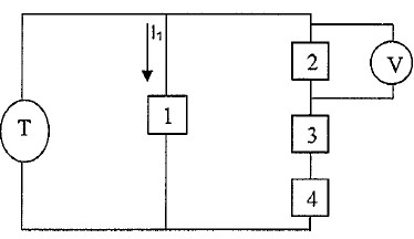
Observe o circuito abaixo.

Com base no circuito representado acima e sabendo que os valores das resistências 1,2,3 e 4 são, respectivamente, 10K!$ Ω !$, 2,2K!$ Ω !$, 1K!$ Ω !$ e 16,8K!$ Ω !$ e que o valor da tensão no voltímetro T é igual a 20V, calcule , a tensão indicada no voltímetro V e o valor de 11, e assinale a opção correta.