Magna Concursos
Questões
Planos
Entrar
Entrar
Criar Conta
Respondida
424267
Ano:
2015
Disciplina:
Engenharia Eletrônica
Banca:
FCC
Orgão:
Pref. São Luís-MA
Provas:
Auditor de Controle Interno - Engenharia Elétrica
Provas
×
Automação Industrial
Eletrônica Digital
Programação Ladder
PLC
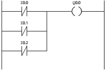
O programa desenvolvido em linguagem LADDER para um CLP possui o trecho seguinte:
Esse trecho é a síntese da expressão lógica
A
B
C
D
E
Resolver
Comentários
0
×
Cadernos
×
Flashcards
×
Estatísticas
×
Reportar um erro
×
Provas
Questão presente nas seguintes provas
Publicar
Responder
Qual o problema da questão?
Selecione uma opção
Questão Desatualizada
Questão Repetida
Gabarito Errado
Outros Motivos
Mensagem
Enviar
Acessar
Criar Conta
Acesse sua Conta
Google
Facebook
Esqueci minha senha
Acessar
Ainda não tem conta?
Crie uma
!
Crie uma Conta
Criar Conta
Olá, para continuar, precisamos criar uma conta!
É
rápido
e
grátis
.
Google
Facebook
Concordo com os
Termos de Uso
Criar
Já tem uma conta?
Acesse aqui