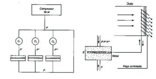
A figura, a seguir, é um esquema de controle pneumático. Assinale a alternativa que NÃO diz respeito a ela.

Fonte: Instalações de Ar Condicionado, Hélio Creder.
A figura, a seguir, é um esquema de controle pneumático. Assinale a alternativa que NÃO diz respeito a ela.

Fonte: Instalações de Ar Condicionado, Hélio Creder.