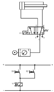
Na ilustração abaixo, está representado um esquema de um circuito eletropneumático utilizado em diversas possibilidades em máquinas e equipamentos em indústrias ou mesmo em máquinas situadas em laboratórios e oficinas.

De acordo com o esquema apresentado, é CORRETO afirmar que