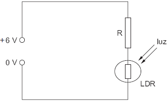
Certos resistores quando expostos à luz variam sua resistência. Tais resistores são chamados LDR ( do Inglês: "Light Dependent Resistor"). Considere um típico resistor LDR feito de sulfeto de cádmio, o qual adquire uma resistência de aproximadamente !$ 100 Ω !$ quando exposto à luz intensa, e de 1 !$ MΩ !$ quando na mais completa escuridão. Utilizando este LDR e um resistor de resistência fixa !$ R !$ para construir um divisor de tensão, como mostrado na figura, é possível converter a variação da resistência em variação de tensão sobre o LDR, com o objetivo de operar o circuito como um interruptor de corrente (circuito de chaveamento). Para esse fim, deseja-se que a tensão através do LDR, quando iluminado, seja pequena comparativamente à tensão máxima fornecida, e que seja de valor muito próximo ao desta, no caso do LDR não iluminado. Qual dos valores de !$ R !$ abaixo é o mais conveniente para que isso ocorra?
