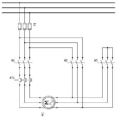
Considere a figura abaixo, que representa o
diagrama de força de um acionamento do tipo
partida estrela-triângulo de um motor de indução
trifásico com corrente nominal 173 A, 220 V, seis
terminais e fator de serviço unitário. A rede é de
220 V e 60 Hz. As contatoras são K1, K2 e K3, da
esquerda para a direita. Assinale a alternativa que
contém as correntes mínimas dimensionadas
para as contatoras K1, K2 e K3, respectivamente,
em regime permanente.

