Magna Concursos
1811500 Ano: 2009
Disciplina: Engenharia Eletrônica
Banca: IESES
Orgão: TJ-MA

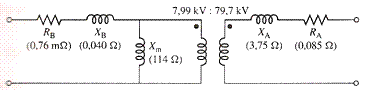
O circuito equivalente de um transformador de 100MVA está mostrado abaixo. O valor da Xbase do lado da alta tensão será de:

enunciado 1811500-1

 

Provas

Questão presente nas seguintes provas

Analista Judiciário - Engenharia Elétrica

80 Questões