Magna Concursos
3104066 Ano: 2023
Disciplina: Engenharia Elétrica
Banca: VUNESP
Orgão: TRF-3

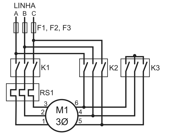
Um motor trifásico de 25 CV, 220 / 380 V, 72 / 42 A, FS = 1,15, é acionado por uma chave estrela-triângulo que tem seu diagrama de força mostrado na figura a seguir. A rede de alimentação tem tensão de linha de 220 V, e o tempo de partida é de 5 segundos.

Enunciado 3104066-1

(Arquivo pessoal. Imagem usada com autorização.)

Os valores aproximados das correntes de emprego (Ie) calculadas para os contatores K1, K2 e K3 e da corrente de ajuste do relé de sobrecarga para essa aplicação são, respectivamente:

 

Provas

Questão presente nas seguintes provas

Analista Judiciário - Engenharia Elétrica

60 Questões