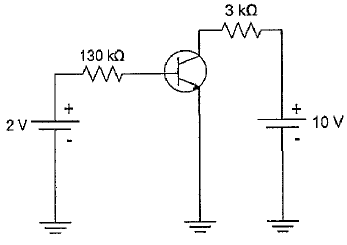
No circuito da figura abaixo, considere a tensão entre base e emissor para o transistor tipo NPN igual a 0,7 V e seu ganho de corrente !$ \beta !$ igual a 100. Assinale a opção que apresenta, respectivamente, a corrente de base (IB) e a tensão entre coletor e emissor (VcE).

Provas
Questão presente nas seguintes provas