O uso de Controladores Lógicos Programáveis é de grande importância para acionamentos de equipamentos no âmbito mundial. Além da importância econômica em virtude das facilidades e funcionalidades, destaca-se, também, a questão da segurança para fazer certos acionamentos. Um dos sistemas de segurança utilizados é o intertravamento. Com essa técnica alguns equipamentos têm seus ligamentos impossibilitados devido à utilização de outros equipamentos.
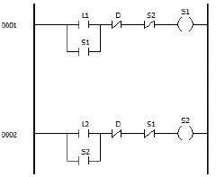
Com base no sistema de acionamento em linguagem Ladder, mostrado a seguir, podemos afirmar que:

Provas
Questão presente nas seguintes provas
Professor PEBTT - Eletroeletrônica e Mecatrônica
40 Questões