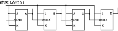
Analisando as afirmativas abaixo com base no circuito apresentado, pode-se afirmar que está(ão) correta(s).

I- O circuito é um contador assíncrono binário de quatro bits.
II- As saídas dos flip flops D, C, B e A representam um número binário de quatro bits, sendo A o MSB.
II- As saídas dos flip flops D, C, B e A representam um número binário de quatro bits, sendo A o MSB.