1320252
Ano: 2012
Disciplina: Engenharia Elétrica
Banca: VUNESP
Orgão: Pref. São José dos Campos-SP
Disciplina: Engenharia Elétrica
Banca: VUNESP
Orgão: Pref. São José dos Campos-SP
Provas:
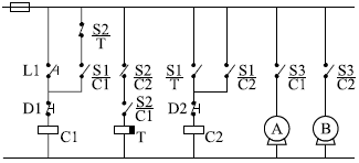
No circuito apresentado, as cargas A e B são acionadas pelos contatores e pelo temporizador.
Considerando a operação desse circuito, assinale a alternativa correta.
