2632780
Ano: 2023
Disciplina: Engenharia Elétrica
Banca: FUNDATEC
Orgão: Pref. Farroupilha-RS
Disciplina: Engenharia Elétrica
Banca: FUNDATEC
Orgão: Pref. Farroupilha-RS
Provas:
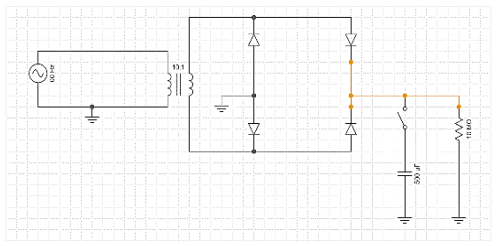
Observando o circuito da figura abaixo, pode-se afirmar que se trata de um:

