
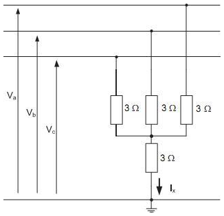
A figura acima mostra a representação de uma falta que envolve as três fases e o terra. No ponto em que ocorre a falta, as tensões fase-terra são:
• V a= ( 120∠ 300 + 50∠150+24∠450)volts
• V b = ( 120∠-900+50∠1350+24∠450)volts
• V c = ( 120∠1500+50∠-1050+24∠450)volts
De acordo com as informações apresentadas, o valor rms, em ampère, da corrente IX indicada na figura é