Magna Concursos
316523 Ano: 2012
Disciplina: Engenharia Elétrica
Banca: CESGRANRIO
Orgão: Petrobrás
Enunciado 316523-1
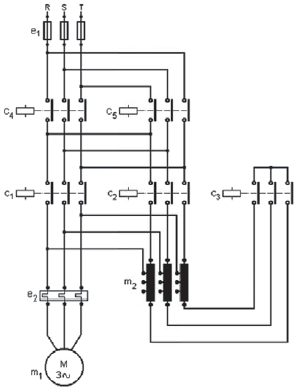
O diagrama trifilar refere-se ao acionamento de motor de indução trifásico, cujo método de partida e funcionamento corresponde a
 

Provas

Questão presente nas seguintes provas