A figura a seguir mostra uma transferência serial de dados por meio de um registrador de deslocamento.

Assinale a opção que indica o diagrama de tempo para a saída S.
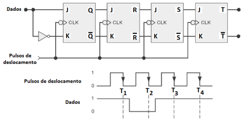
A figura a seguir mostra uma transferência serial de dados por meio de um registrador de deslocamento.

Assinale a opção que indica o diagrama de tempo para a saída S.