
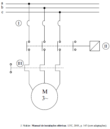
A figura acima mostra um circuito de força típico para alimentação de um motor de indução trifásico. Com relação à simbologia utilizada para representar os elementos desse circuito e à finalidade de cada um desses elementos, julgue o item subseqüente.
O circuito de força do motor referido acima é energizado por meio do elemento
, quando este é adequadamente energizado a partir de comando no circuito de controle.