Magna Concursos
502873 Ano: 2012
Disciplina: Engenharia Eletrônica
Banca: CESGRANRIO
Orgão: Transpetro
Provas:
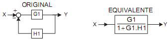
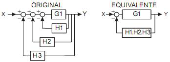
Com o objetivo de facilitar o cálculo da função de transferência de um sistema complexo, é comum representá-lo pelo seu diagrama em blocos. Com base em seu diagrama original, é possível reorganizar ou rearranjar esses blocos obedecendo a regras específicas denominadas álgebra de blocos. Dessa forma, comparando-se as equações correspondentes, podem ser criados diagramas equivalentes.

O par que representa os diagramas em blocos original e equivalente é

 

Provas

Questão presente nas seguintes provas

Engenheiro de Automação

70 Questões