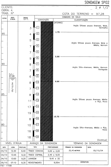
Sabendo-se que a obra de um edifício terá 4 subsolos (níveis do térreo = 100,00 e do 4º subsolo = 86,00) com escavação protegida por perfis metálicos prancheados e atirantados, e seu vizinho por uma das laterais é um prédio com 30 anos, 2 subsolos (níveis do térreo = 101,50 e do 2º subsolo = 95,00), sendo o solo local aquele configurado na sondagem abaixo, e tendo havido movimentação no piso do 2º subsolo do vizinho onde se apresentaram rachaduras paralelas à divisa comum entre os dois prédios situadas a aproximadamente 1,00m, 3,00m e 5,00m dessa divisa, além de outras anomalias apontadas pelo condomínio como sendo causadas pela construção nova.
OBS.: Os dois edifícios foram erguidos sobre fundações diretas

A trinca horizontal verificada na platibanda de alvenaria no topo do edifício é decorrente de