Magna Concursos
1934607 Ano: 2020
Disciplina: Engenharia Eletrônica
Banca: DIRENS Aeronáutica
Orgão: EEAr
Provas:

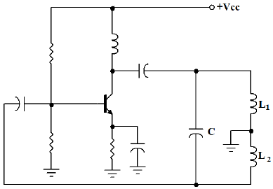
Qual é o valor da frequência gerada no circuito abaixo? Considerar que não há interação magnética entre os indutores.

Enunciado 2826809-1

 

Provas

Questão presente nas seguintes provas

EAGS - Eletrônica

100 Questões