Magna Concursos
816060 Ano: 2019
Disciplina: Engenharia Elétrica
Banca: FADESP
Orgão: CPC-PA

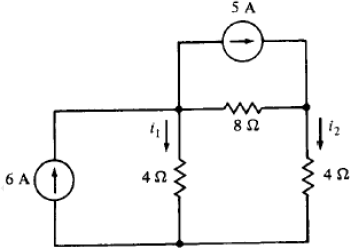
Para o circuito da figura abaixo, as correntes i1 e i2 são, respectivamente,

Enunciado 816060-1

 

Provas

Questão presente nas seguintes provas

Perito Criminal - Engenharia Elétrica

50 Questões