
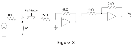
O circuito mostrado na Figura 8 acima utiliza amplificadores operacionais com características ideais e resistores passivos. Na entrada deste circuito, foi conectada uma fonte de tensão CC de valor desconhecido.
Verificou-se que na condição de operação com Push-button aberto, o potêncial elétrico do ponto P1 indicado, em relação ao terra, é igual a 3V, conforme indicado no diagrama do circuito.
Sabendo-se que, na condição de operação com Push-button fechado, os amplificadores operacionais operam na região linear, pode-se afirmar que nesta condição de funcionamento a tensão de saída do circuito (Vo) é igual a