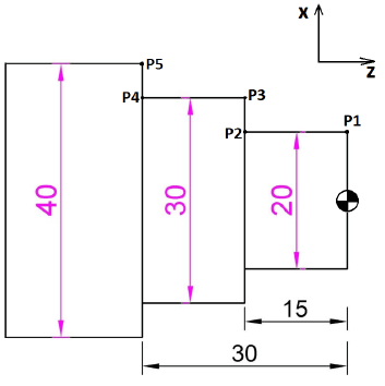
Analisando a imagem abaixo assinale a alternativa que contenha as coordenadas absolutas em X e Z no ponto P3, respectivamente (usar o diâmetro na coordenada X).

Analisando a imagem abaixo assinale a alternativa que contenha as coordenadas absolutas em X e Z no ponto P3, respectivamente (usar o diâmetro na coordenada X).
