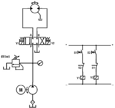
O projeto de um circuito eletro-hidráulico para acionamento de um motor hidráulico bidirecional deverá girar no sentido horário, no anti-horário e parar a qualquer momento, utilizando dois botões de comando – um para o giro no sentido horário e outro para o sentido contrário. Quando os botões não estiverem acionados, o motor deverá permanecer parado.

De acordo com o projeto eletro-hidráulico apresentado, assinale a afirmativa INCORRETA.