Magna Concursos
2776662 Ano: 2023
Disciplina: Engenharia Elétrica
Banca: CESPE / CEBRASPE
Orgão: AGER-MT

Enunciado 3465255-1

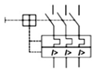
O símbolo precedente representa o componente elétrico denominado

 

Provas

Questão presente nas seguintes provas