Magna Concursos
2880714 Ano: 2010
Disciplina: Engenharia Civil
Banca: CESGRANRIO
Orgão: Petrobrás
Provas:

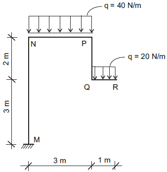
Enunciado 3089709-1

A variação do esforço cortante no trecho !$ overline{QR} !$, em N, vale

 

Provas

Questão presente nas seguintes provas

Engenheiro Civil

120 Questões