Magna Concursos
206971 Ano: 2014
Disciplina: Mecânica
Banca: FCC
Orgão: METRO-SP
Provas:
Atenção: Considere o enunciado abaixo para responder à questão .

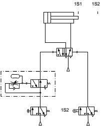
No circuito pneumático da figura abaixo, ao se acionar o botão, a haste do atuador deve avançar e retornar automaticamente.

enunciado 206971-1


Nesse circuito é utilizada uma válvula direcional
 

Provas

Questão presente nas seguintes provas

Engenheiro Mecânico

60 Questões