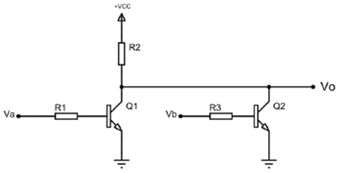
Utilizando o transistor bjt como chave e em função do nível lógico (alto ou baixo) de Va e Vb determine a saída Vo.

| Va | Vb | Vo |
| Baixo | Baixo | |
| Baixo | Alto | |
| Alto | Baixo | |
| Alto | Alto |
A sequência correta que apresenta a saída Vo do quadro anterior é
Utilizando o transistor bjt como chave e em função do nível lógico (alto ou baixo) de Va e Vb determine a saída Vo.

| Va | Vb | Vo |
| Baixo | Baixo | |
| Baixo | Alto | |
| Alto | Baixo | |
| Alto | Alto |
A sequência correta que apresenta a saída Vo do quadro anterior é