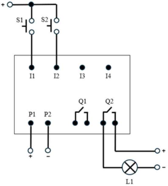
Considere o seguinte esquema elétrico de um CLP, elaborado para implementar uma lógica de selo no seu contato de saída Q2 para ligar/desligar uma lâmpada L1 por meio do acionamento das chaves S1 e S2:

Fonte: IFSP, 2024
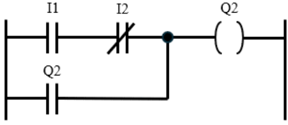
Qual alternativa a seguir ilustra um programa, em Linguagem de Programação Ladder, para implementar a lógica acima descrita?