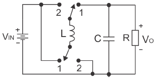
Um conversor Buck-Boost teve sua estrutura modificada pela adição de uma nova chave na parte inferior do indutor ligada conforme mostrado na figura abaixo. Essa nova topologia é conhecida como conversor Watkins-Johnson e seu ciclo de trabalho é definido por \( D = \dfrac {t_{ON}} {T_S} \) . As chaves permanecem ligadas durante um período \( t_{ON} \) na posição 1, e, durante um período \( t_{OFF} \) , na posição 2, repetidamente a cada período de chaveamento. Sabendo-se que a metodologia de análise é a mesma do conversor Buck- Boost, baseada no princípio da conservação de energia no indutor, a função de transferência de conversão VO/VIN, em função do ciclo de trabalho, em regime permanente é dada por
