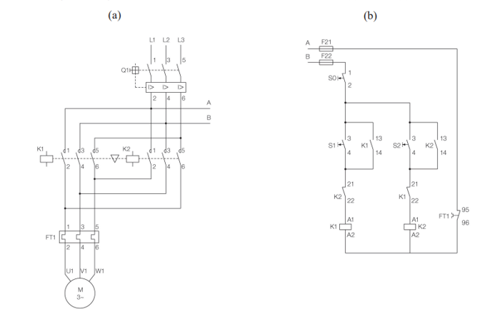
Diagramas de comandos elétricos permitem concentrar graficamente tanto a lógica (ou comando) de um processo de acionamento quanto as ligações de potência (ou força) necessárias para este acionamento. A figura apresentada, extraída de um manual de partidas de motores, mostra dois quadros, sendo: (a) força e (b) comando. Indique a alternativa que apresenta corretamente a aplicação e o funcionamento dos diagramas apresentados.
Figura: Diagrama de Comandos Elétricos de um acionamento: (a) força e (b) comando.

Fonte: Adaptado do Manual WEG – Guia e seleção de partidas. Disponível em https://static.weg.net/medias/downloadcenter/ haa/h53/WEG-guia-de-selecao-de-partidas-50037327-manual-portugues-br-dc.pdf. Acesso em: 09 set. 2024, p. 12.