932349
Ano: 2019
Disciplina: Engenharia Eletrônica
Banca: FUNDEP
Orgão: Pref. Lagoa Santa-MG
Disciplina: Engenharia Eletrônica
Banca: FUNDEP
Orgão: Pref. Lagoa Santa-MG
Provas:
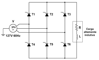
Analise o circuito a seguir.

Após análise, é correto afirmar: