Magna Concursos
2968676 Ano: 2022
Disciplina: Engenharia Mecânica
Banca: AOCP
Orgão: IF-MS

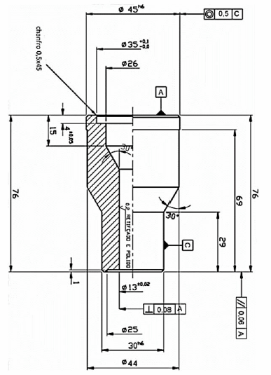
A respeito do seguinte projeto mecânico, assinale a alternativa correta.

Enunciado 3314384-1

 

Provas

Questão presente nas seguintes provas