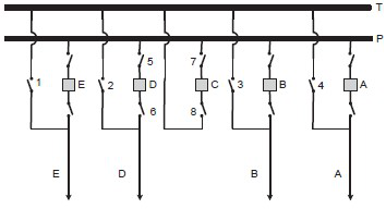
A subestação da figura do tipo de arranjo de barras principal e de transferência opera com os alimentadores A, B e E diretamente conectados na barra principal e o alimentador D conectado na barra de transferência.

Assinale a alternativa que representa a situação operativa dessa configuração para o alimentador D.