Magna Concursos
2296813 Ano: 2016
Disciplina: Engenharia Mecânica
Banca: UFSCAR
Orgão: UFSCAR
Provas:

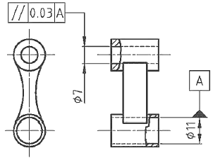
Assinale a alternativa que indica corretamente a tolerância geométrica aplicada à superfície cilíndrica da figura abaixo:

Enunciado 3540408-1

 

Provas

Questão presente nas seguintes provas

Técnico de Mecânica

60 Questões