- Eletrônica AnalógicaAmplificadores, diodos, transistores, tiristores e dispositivos correlatos
- Eletrônica de PotênciaFontes, retificadores e inversores estáticos

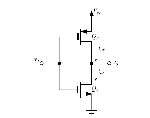
Acerca de circuitos inversores lógicos e do circuito inversor ilustrado na figura acima, que utiliza um par de chaves complementares, em que a chave levantadora (pull-up) conecta o nó de saída a VDD e a chave abaixadora (pull-down) conecta o nó de saída ao terra, julgue os itens seguintes.
A tecnologia CMOS é dominante no processo de integração dos atuais circuitos digitais, sendo o circuito da figura um inversor CMOS básico com dois transistores, do tipo MOSFET.
Provas
Questão presente nas seguintes provas
Tecnologista Sr. - Projeto de Circuitos Integrados
120 Questões