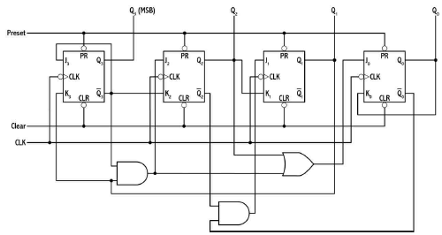
A figura abaixo mostra um contador síncrono de 4 bits implementado a partir de flip-flops JK, onde Q3, Q2, Q1 e Q0 são as saídas binárias de cada flip-flop e o Q3 é o bit mais significativo (Most Signficant Bit – MSB) desse contador.

Para o circuito acima as entradas Presets (PR) estão em nível alto o tempo todo e os valores iniciais das entradas Clock (CLK) e Clear são mostrados na figura abaixo. Enquanto o circuito desse contador permanecer ligado e após o período inicial de tempo mostrado na figura abaixo, o CLK continuará alternando entre os níveis baixo e alto e CLR=1.

A sequência numérica, na base decimal, da saída desse contador síncrono é representada por: