Magna Concursos
396242 Ano: 2006
Disciplina: Física
Banca: CESGRANRIO
Orgão: Petrobrás

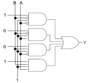
Considere a seguinte figura:

Enunciado 396242-1

No circuito lógico mostrado na figura acima, a expressão booleana mais simples de Y, em função de A e B, é:

 

Provas

Questão presente nas seguintes provas