Magna Concursos
Questões
Planos
Entrar
Entrar
Criar Conta
Respondida
3363366
Ano:
2024
Disciplina:
Engenharia Eletrônica
Banca:
CESPE / CEBRASPE
Orgão:
CAGEPA
Provas:
Técnico de Eletrotécnica
Provas
×
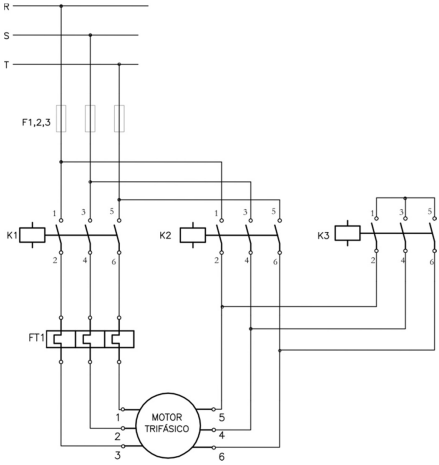
Análise de Circuitos
Com base na figura precedente, que ilustra o circuito de força de uma chave de partida suave do tipo triângulo/estrela, é correto afirmar que, quando os contatores
A
K1, K2 e K3 estiverem energizados, o motor estará conectado em triângulo.
B
K1 e K2 estiverem energizados e o contator K3 estiver desenergizado, o motor estará conectado em estrela.
C
K1 e K3 estiverem energizados e o contator K2 estiver desenergizado, o motor estará conectado em estrela.
D
K1 e K3 estiverem energizados e o contator K2 estiver desenergizado, o motor estará conectado em triângulo.
E
K2 e K3 estiverem energizados e o contator K1 estiver desenergizado, o motor estará conectado em triângulo.
Resolver
Comentários
0
×
Cadernos
×
Flashcards
×
Estatísticas
×
Reportar um erro
×
Provas
Questão presente nas seguintes provas
Técnico de Eletrotécnica
70 Questões
Resolver Prova
Publicar
Responder
Qual o problema da questão?
Selecione uma opção
Questão Desatualizada
Questão Repetida
Gabarito Errado
Outros Motivos
Mensagem
Enviar
Acessar
Criar Conta
Acesse sua Conta
Google
Facebook
Esqueci minha senha
Acessar
Ainda não tem conta?
Crie uma
!
Crie uma Conta
Criar Conta
Olá, para continuar, precisamos criar uma conta!
É
rápido
e
grátis
.
Google
Facebook
Concordo com os
Termos de Uso
Criar
Já tem uma conta?
Acesse aqui