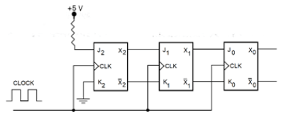
Um registrador de deslocamento de três bits foi implementado utilizando 3 flip-plops (FFs) TTL, conforme a figura a seguir:

Considerando que todos os FFs estão no estágio baixo no início da operação, podemos afirmar que a alternativa que apresenta estado real CORRETO de X2, X1 e X0, após 4 pulsos de Clock, é: