Um engenheiro de controle e automação industrial precisa substituir um circuito lógico que foi implementado com portas lógicas TTL por um sistema com microcontrolador e para isto deseja descobrir sua expressão booleana.
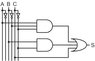
O circuito lógico pode ser visto na figura a seguir:

Considerando que as entradas sejam representadas pelas variáveis A, B e C e que a saída seja representada por S, assinale a alternativa que representa a expressão booleana do circuito lógico.
Provas
Questão presente nas seguintes provas
Engenheiro - Controle de Automação Industrial
50 Questões