
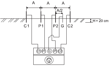
A figura apresenta a colocação de quatro eletrodos de testes em linha, separados por uma distância A e enterrados em um solo a uma profundidade de 20 cm. Esses eletrodos são ligados aos terminais de um equipamento, no qual C1 e C2 correspondem a terminais de corrente, e P1 e P2, a terminais de potencial. O terminal G corresponde ao terminal guarda, cuja finalidade é minimizar os efeitos das correntes parasitas de valor elevado que possam distorcer o valor dos resultados finais obtidos no instrumento. Dessa maneira, será possível efetuar a medição da resistividade do solo, através das medições de resistência indicadas no instrumento.
O método descrito recebe o nome de método de
Provas
Questão presente nas seguintes provas