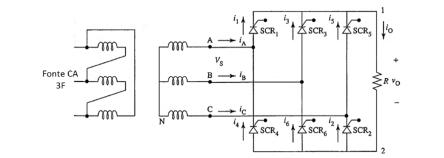
O circuito da figura (a), conhecido como retificador trifásico controlado de onda completa em ponte (retificador de seis-pulsos), é o conversor CA/CC de alta potência mais utilizado em eletrônica de potência.

Figura (a) - Circuito retificador controlado de seis-pulsos Fonte: Ashfaq Ahmed 2000
A figura (b) apresenta a forma de onda de tensão na carga (vo) para ângulo de atraso α = 0º.

Figura (b) – Forma de onda de tensão para um circuito em ponte para α = 0º Fonte: Ashfaq Ahmed 2000
Tendo por base as figuras (a) e (b) e a correta operação do circuito, marque a afirmativa correta.