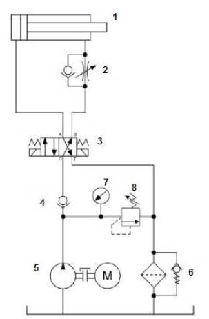
O desenho ao lado é uma representação esquemática de um circuito hidráulico. Considere este desenho para responder as questões 31 a 36.

A válvula direcional tem acionamento:
O desenho ao lado é uma representação esquemática de um circuito hidráulico. Considere este desenho para responder as questões 31 a 36.

A válvula direcional tem acionamento: