Observe o circuito a seguir.

No circuito da figura acima, considerando os amplificadores operacionais como sendo ideais, é correto afirmar que a tensão de saída Vs é dada pela expressão:
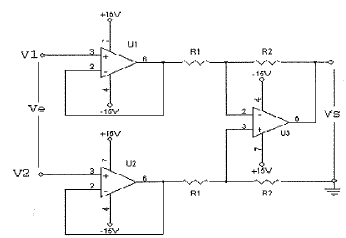
Observe o circuito a seguir.

No circuito da figura acima, considerando os amplificadores operacionais como sendo ideais, é correto afirmar que a tensão de saída Vs é dada pela expressão: