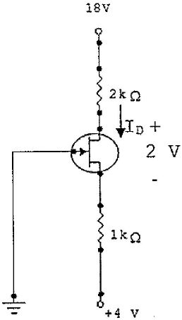
Analise a figura abaixo:

Considere que a figura acima seja um circuito JFET porta-comum, com o valor de VDS = 2 V, e assinale a opção correta.
Provas
Questão presente nas seguintes provas
Corpo da Armada - Eletrônica
50 Questões
Corpo de Fuzileiros Navais - Eletrônica
50 Questões