Magna Concursos
691444 Ano: 2009
Disciplina: Engenharia Elétrica
Banca: IF-SC
Orgão: IF-SC

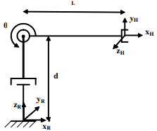
Dado o manipulador planar PR, qual das matrizes de transformação abaixo representa corretamente sua cinemática direta?

Enunciado 691444-1

 

Provas

Questão presente nas seguintes provas

Engenheiro - Automação Industrial

40 Questões