Magna Concursos
Questões
Planos
Entrar
Entrar
Criar Conta
Respondida
2469374
Ano:
2013
Disciplina:
Engenharia Mecânica
Banca:
IBEG
Orgão:
SANEAGO
Provas:
Técnico Industrial - Mecânica
Provas
×
Sistemas Fluidomecânicos
Sistemas Hidráulicos e Pneumáticos
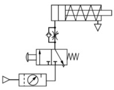
Observe o circuito pneumático abaixo e marque a alternativa
correta
.
A
O circuito utiliza um atuador linear de ação simples e retorno por mola, uma válvula direcional de 3/2 vias de acionamento manual e retorno por mola e uma válvula redutora de fluxo variável com retenção.
B
O circuito utiliza um atuador linear de dupla ação, uma válvula direcional de 3/2 vias de acionamento manual e retorno por mola e uma válvula redutora de fluxo variável com retenção.
C
O circuito utiliza um atuador linear de ação simples e retorno por mola, uma válvula direcional de 2/2 vias de acionamento manual e retorno por mola e uma válvula redutora de fluxo variável com retenção.
D
O circuito utiliza um atuador linear de ação simples e retorno por mola, uma válvula direcional de 3/2 vias de acionamento manual e retorno por mola e uma válvula redutora de fluxo constante sem retenção.
E
O circuito utiliza um atuador linear de dupla ação, uma válvula direcional de 2/2 vias de acionamento manual e retorno por mola e uma válvula redutora de fluxo constante sem retenção.
Questão Anulada
Resolver
Comentários
0
×
Cadernos
×
Flashcards
×
Estatísticas
×
Reportar um erro
×
Provas
Questão presente nas seguintes provas
Técnico Industrial - Mecânica
60 Questões
Resolver Prova
Publicar
Responder
Qual o problema da questão?
Selecione uma opção
Questão Desatualizada
Questão Repetida
Gabarito Errado
Outros Motivos
Mensagem
Enviar
Acessar
Criar Conta
Acesse sua Conta
Google
Facebook
Esqueci minha senha
Acessar
Ainda não tem conta?
Crie uma
!
Crie uma Conta
Criar Conta
Olá, para continuar, precisamos criar uma conta!
É
rápido
e
grátis
.
Google
Facebook
Concordo com os
Termos de Uso
Criar
Já tem uma conta?
Acesse aqui