Em sistemas eletropneumáticos, o controle de movimentos lineares é amplamente utilizado para aplicações
que requerem precisão e repetitividade. O circuito a seguir foi desenvolvido no software FluidSIM para
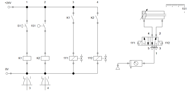
simulação e análise de um sistema composto por diversos elementos que controlam o avanço e o retorno de
um cilindro pneumático de dupla ação.
Os componentes principais incluem: um compressor, responsável pelo fornecimento de ar comprimido; um conjunto FRL (filtro, regulador e lubrificador), que assegura a qualidade do ar comprimido; uma válvula direcional 5/2 vias acionada por solenóides (1Y1 e 1Y2), controlando o fluxo de ar para o cilindro; um cilindro de dupla ação, que executa movimentos lineares; e um sensor de posição (1S1), utilizado para detecção e controle do fim de curso do cilindro.
Com base na análise do circuito apresentado, é CORRETO afirmar que:
I - Comando eletropneumático indireto de um cilindro de dupla ação. Avanço com comando de botão tipo pulso (S1), retornando quando o pistão chegar ao final do curso acionando a chave 1S1.
II - O avanço do cilindro ocorre automaticamente após o acionamento da válvula, sem necessidade de intervenção manual.
III - A válvula 5/2 é acionada manualmente por meio de uma alavanca e retorna automaticamente através de uma mola integrada no sistema.
A partir das afirmações acima, é CORRETO o que se afirma em:
Os componentes principais incluem: um compressor, responsável pelo fornecimento de ar comprimido; um conjunto FRL (filtro, regulador e lubrificador), que assegura a qualidade do ar comprimido; uma válvula direcional 5/2 vias acionada por solenóides (1Y1 e 1Y2), controlando o fluxo de ar para o cilindro; um cilindro de dupla ação, que executa movimentos lineares; e um sensor de posição (1S1), utilizado para detecção e controle do fim de curso do cilindro.
Com base na análise do circuito apresentado, é CORRETO afirmar que:
I - Comando eletropneumático indireto de um cilindro de dupla ação. Avanço com comando de botão tipo pulso (S1), retornando quando o pistão chegar ao final do curso acionando a chave 1S1.
II - O avanço do cilindro ocorre automaticamente após o acionamento da válvula, sem necessidade de intervenção manual.
III - A válvula 5/2 é acionada manualmente por meio de uma alavanca e retorna automaticamente através de uma mola integrada no sistema.
A partir das afirmações acima, é CORRETO o que se afirma em: